Клапан обратный общего назначения прямоугольного сечения
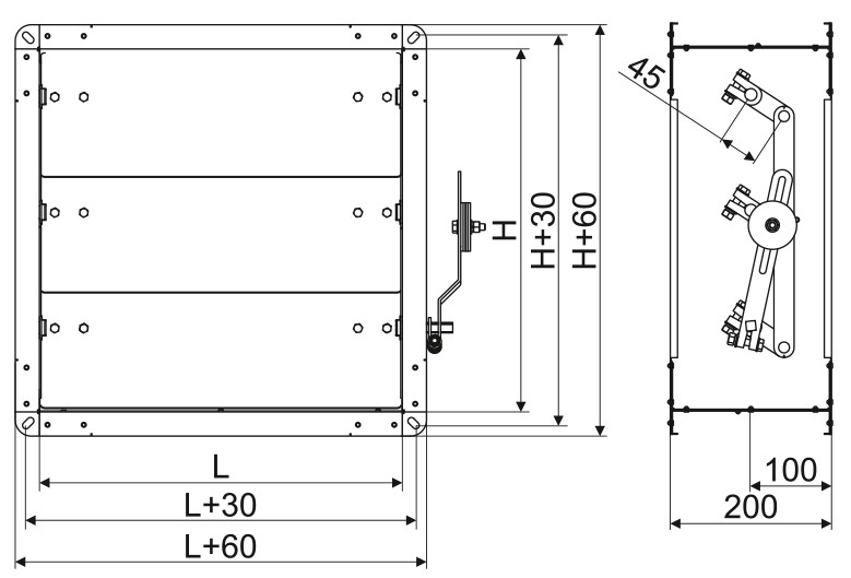
Клапаны обратные общего назначения предназначены для предотвращения перетекания воздуха при отключенном вентиляторе. Клапан может быть установлен как в горизонтальном, так и в вертикальном воздуховоде. При установке клапана в вертикальном воздуховоде (предварительно снять с клапана систему тяг) поток воздуха должен быть направлен снизу вверх. Рекомендуемая скорость движения воздуха перед клапаном - не менее 6 м/с.
Клапаны обратные общего назначения изготовлены из углеродистой и оцинкованной стали.
После установки изделия на объекте, рекомендуется (в иных случаях необходимо),окрасить его в соответствии с указаниями проекта системы вентиляции.
Клапаны КОп из углеродистой стали выводятся из ассортимента. Наличие необходимо уточнять у менеджера компании.
Клапаны обратные прямоугольного сечения типа КОп из оцинкованной стали
- КОп - клапан общего назначения
- Режим работы - отсечной клапан
- Материал - оцинкованная сталь
- Минимальный размер (L*H) 150*150 мм, далее с шагом 50 мм в любом сочетании
- Максимальный размер (L*H) 1000*1000 мм

Зависимость количества створок клапанов КОп от высоты (Н)
|
Высота (H), мм |
150...250 |
300...400 |
450...600 |
650...800 |
850...1000 |
|
Количество створок |
1 |
2 |
3 |
4 |
5 |
Зависимость количества створок клапанов КОп от высоты (Н)
|
Модель |
L*H |
Количество створок |
С |
Масса, кг |
|
КОп-150*150 |
150*150 |
1 |
200 |
2,8 |
|
КОп-200*200 |
200*200 |
1 |
3,5 |
|
|
КОп-250*250 |
250*250 |
1 |
4,3 |
|
|
КОп-300*300-МС |
300*300 |
2 |
5,5 |
|
|
КОп-350*350-МС |
350*350 |
2 |
6,6 |
|
|
КОп-400*400-МС |
400*400 |
2 |
8,3 |
|
|
КОп-450*450-МС |
450*450 |
3 |
8,8 |
|
|
КОп-500*500-МС |
500*500 |
3 |
9,4 |
|
|
КОп-600*600-МС |
600*600 |
3 |
13,8 |
|
|
КОп-700*700-МС |
700*700 |
4 |
15,4 |
|
|
КОп-800*800-МС |
800*800 |
4 |
17,7 |
|
|
КОп-900*900-МС |
900*900 |
5 |
22,6 |
|
|
КОп-1000*1000-МС |
1000*1000 |
5 |
25,9 |

Клапаны обратные прямоугольного сечения типа КОп из углеродистой стали
(Клапаны КОп из углеродистой стали выводятся из ассортимента. Наличие необходимо уточнять у менеджера компании)
- Режим работы - отсечной клапан
- Материал - углеродистая сталь
- Минимальный размер (L*H) 150*150 мм, далее с шагом 50 мм в любом сочетании
- Максимальный размер (L*H) 1000*1000 мм

Массы (кг) клапанов КОп-1 в зависимости от габаритных размеров, кг

Массы (кг) клапанов КОп-2 в зависимости от габаритных размеров, кг


Потери давления в клапане
|
Модель |
Характеристики |
||
|
Потери давления при полностью открытом клапане ∆P, Па |
Коэффициент местного сопротивления ε |
||
|
При V≤13 м/с на горизонтальных участках |
При V≤6 м/с на вертикальных участках |
При V≥6 м/с на вертикальных участках |
|
|
КОп-150-150 |
6 |
0 |
0 |
|
КОп-200-200 |
8 |
0,02 |
|
|
КОп-250-250 |
9 |
0,04 |
|
|
КОп-400-400 |
11 |
0,18 |
|
|
КОп-500-500 |
15 |
0,37 |
|
|
КОп-800-800 |
20 |
1,56 |
0,08 |
|
КОп-1000-1000 |
31 |
3,14 |
0,17 |
Не представленные в наличии модели доступны к поставке под заказ
Оповестить о поступлении
Всю необходимую информацию также можно получить по телефону «горячей линии»
+ 7 800 200 93 96или по телефону
+7 800 505 08 67 получить консультацию