Компактная приточно-вытяжная установка с рекуперацией тепла RWC(N)Бесплатный проект
- Подходит для вентиляции помещений до 350 м2;
- Энергоэффективный энтальпийный рекуператор с КПД до 77%;
- Установка оснащена базовым нагревателем;
- Возможность горизонтального и вертикального монтажа;
- Эргономичный сенсорный проводной пульт управления;
- Интегрированная система автоматики;
- Компактные размеры корпуса;
- Низкий уровень шума;
- Возможность программирования недельного таймера;
- Интеграция в "Умный Дом" - ModBus RS-485
Компактные приточно-вытяжные установки с рекуперацией тепла RWC(N) и RWC(N) Grey предназначены для улучшения качества воздуха в закрытых помещениях и одновременного сбережения тепловой энергии. Установки полностью отвечают современным требованиям воздухообмена на рабочих местах и в жилых помещениях.
Установки RWC(N) рекомендуется применять в общественных и жилых зданиях. Установки предназначены для эксплуатации только в помещении при температуре окружающей среды от 0 °С до +45 °С. Температура перемещаемой среды без использования преднагрева от -20 °С до +45 °С.
Базовая комплектация приточно-вытяжной установки RWC(N):
- моноблочный корпус;
- центробежные вентиляторы (приточный и вытяжной);
- энтальпийный пластинчатый рекуператор;
- приточный и вытяжной фильтра (класс фильтрации EU3);
- электрический нагреватель;
- встроенная система автоматики;
- проводной сенсорный пульт управления
Электрический нагреватель входит в комплект поставки (встроенный для моделей RWC-250-HE (N) ~ RWC-500-HE (N) и выносной для RWC-600-HE-AH (N) ~ RWC-1200-HE-AH (N)).
Дополнительная комплектация приточно-вытяжной установки RWC(N):
- приточный и вытяжной воздушные клапаны с электроприводом
- электрический калорифер преднагрева (от -15°С)
- Приточный и вытяжной шумоглушители
Корпус RWC(N) изготовлен из гальванизированной стали с толщиной панелей 20 мм.
Монтаж установки универсальный: осуществляется горизонтально под потолком и вертикально на стене, возможен монтаж под потолком как правого так и левого исполнения.
Установки RWC(N) Grey окрашены в серый цвет.
Основные преимущества установок RWC(N):
- Установки RWC(N) совмещают функции обеспечения подачи свежего воздуха в помещение и удаления из него отработанного. Универсальность установки в совокупности с компактными размерами позволяет применять ее в условиях ограниченного пространства;
- Установки RWC(N) обладают высоким уровнем рекуперации тепловой энергии, что позволяет обеспечивать эффективный воздухообмен при сокращении энергопотребления кондиционерами и отопительными приборами;
- Электрический нагреватель позволяет эффективно восстанавливать потери тепловой энергии и максимально сохранять ее. Благодаря чему нахождение людей внутри помещения становится комфортным, улучшается качество воздуха и сохраняются на должном уровне показатели влажности и температуры, а также уменьшаются нагрузки на систему кондиционирования, отопления;
- Рекуператор установок RWC(N) в своем составе имеет графен, что позволяет расширить температурный диапазон применения: до -20 °С для приточного воздуха и до +30 °С вытяжного воздуха с относительной влажностью 60-80%;
- Перемещение воздуха по системе вентиляции может создавать дополнительный шум, поэтому установка RWC(N), за счет моноблочной конструкции и встроенной шумоизоляции, способствует снижению шумовой нагрузки в обслуживаемых помещениях;
- Установки RWC(N) позволяют обеспечить воздухообмен в закрытых помещениях и при перепланировке существующих рабочих зон.
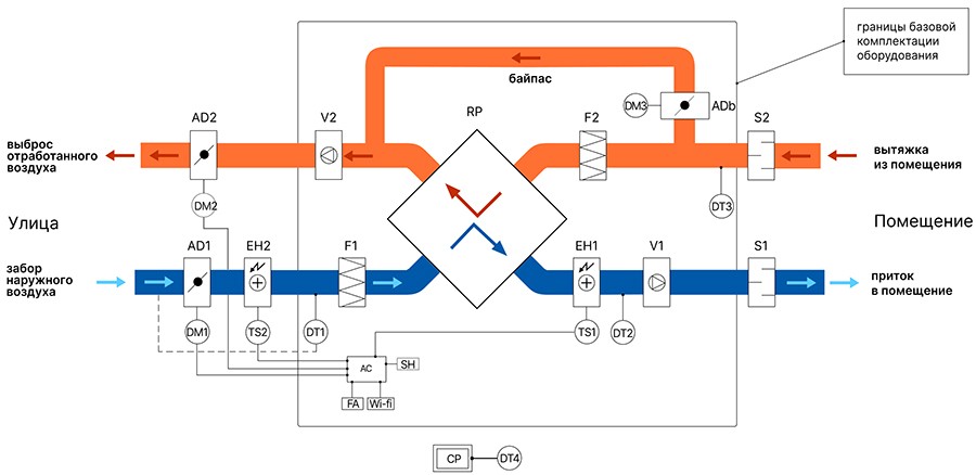
Структурная схема установки
V1 - приточный вентилятор
V2 - вытяжной вентилятор
F1 - приточный фильтр G4
F2 - вытяжной фильтр G4
RP - пластинчатый графеновый энтальпийный рекуператор
ЕН1 - электрический калорифер в комплекте 220В в корпусе (для моделей 250-500) или 380В выносной (для моделей 600-1200)
ADb - байпасный клапан c электроприводом DM3
AD1 - приточный клапан с электроприводом DM1 (опционально)
AD2 - вытяжной клапан с электроприводом DM2 (опционально)
DM1, DM2 - электроприводы воздушных клапанов с возвратной пружиной, 220В, on/off (опционально)
ЕН2 - электрический калорифер преднагрева (опционально)
S1 - шумоглушитель приточный (опционально)
S2 - шумоглушитель вытяжной (опционально)
DТ1 - датчик температуры наружного воздуха (плюс дополнительный датчик в комплекте для выноса датчика за калорифер преднагрева ЕН2)
DТ2 - датчик температуры приточного воздуха
DТ3 - датчик температуры вытяжного воздуха
DT4 - комнатный датчик температуры воздуха (в корпусе пульта)
CР - пульт управления
АС- контроллер автоматики
FA - отключение по сигналу «Пожар»
SH - подключения к системе «Умный Дом» по ModBus RS-485
Wi-fi - возможность подключения модуля Wi-fi для управления установкой с мобильного приложения RowenControl (опционально)
Габаритные и присоединительные размеры RWC(N)

|
Модель |
A |
В |
С |
D |
E |
F |
G |
H |
I |
ØM |
|
RWC-250-HE (N) |
666 |
884 |
720 |
814 |
1074 |
342 |
112 |
272 |
779 |
146 |
|
RWC-350-HE (N) |
806 |
884 |
860 |
814 |
1074 |
482 |
112 |
272 |
919 |
146 |
|
RWC-400-HE (N) |
||||||||||
|
RWC-500-HE (N) |
997 |
966 |
1051 |
869 |
1130 |
728 |
138 |
312 |
1108 |
195 |
|
RWC-600-HE-AH (N) |
||||||||||
|
RWC-800-HE-AH (N) |
882 |
1322 |
938 |
1254 |
1490 |
431 |
169 |
390 |
995 |
245 |
|
RWC-1000-HE-AH (N) |
1132 |
1322 |
1188 |
1254 |
1490 |
681 |
169 |
390 |
1245 |
245 |
|
RWC-1200-HE-AH (N) |
1132 |
1322 |
1188 |
1254 |
1490 |
681 |
169 |
390 |
1245 |
245 |
* Размер С/2 это минимальный размер для зоны доступа при обслуживании установки.
Технические характеристики RWC(N)
|
Модель |
RWC-250-HE(N) |
RWC-350-HE(N) |
RWC-400-HE(N) |
RWC-500-HE(N) |
RWC-600-HE-АН(N) |
RWC-800-HE-АН(N) |
RWC-1000-HE-АН(N) |
RWC-1200-HE-АН(N) |
|
|
Электропитание RWC(N), В-Ф-Гц |
220-1-50 |
||||||||
|
Электропитание внешнего электронагревателя, В-Ф-Гц |
- |
380-3-50 |
|||||||
|
Производительность воздуха, м3/ч |
250/200/160 |
350/310/260 |
400/350/310 |
500/450/400 |
600/540/450 |
800/700/600 |
1000/900/800 |
1200/1100/1000 |
|
|
Обогрев |
Эффективность теплопереноса,% |
75/76/77 |
71/75/77 |
72/73/74 |
74/75/76 |
74/75/76 |
72/73/74 |
73/74/75 |
73/74/75 |
|
Энтальпия теплопереноса,% |
57/58/60 |
56/59/60 |
56/59/60 |
56/59/60 |
56/59/60 |
58/59/60 |
56/59/60 |
51/52/55 |
|
|
Охлаждение |
Эффективность теплопереноса,% |
68/69/72 |
67/68/71 |
65/67/70 |
65/68/72 |
64/65/68 |
65/68/70 |
66/68/70 |
62/65/65 |
|
Энтальпия теплопереноса,% |
51/53/55 |
51/53/55 |
51/53/55 |
51/53/55 |
51/53/55 |
51/53/55 |
51/53/55 |
48/49/52 |
|
|
Мощность электронагревателей, кВт |
2 |
2,5 |
3 |
3 |
5 |
6 |
7 |
7,5 |
|
|
Общая потребляемая мощность установки, кВт |
2,105 |
2,64 |
3,15 |
3,22 |
5,23 |
6,35 |
7,485 |
8 |
|
|
Характеристики вентиляторов |
Класс защиты |
IP40 |
|||||||
|
Энергопотребление, кВт |
0,105 |
0,14 |
0,15 |
0,22 |
0,23 |
0,35 |
0,485 |
0,5 |
|
|
Номинальный ток, А |
0,48 |
0,65 |
0,7 |
0,98 |
1,0 |
1,55 |
2,2 |
2,3 |
|
|
Частота вращения, об/мин |
1050 |
1120 |
1150 |
1050 |
1100 |
1200 |
1200 |
1230 |
|
|
Материал |
ABS |
ABS |
ABS |
ABS |
ABS |
ABS |
ABS |
ABS |
|
|
Тип |
Центробежный |
||||||||
|
Уровень звукового давление, дБ(А) |
35/33/31 |
36/34/31 |
37/35/32 |
38/35/32 |
39/36/32 |
41/37/33 |
41/37/33 |
42/37/33 |
|
|
Внутренний блок |
Размер без упаковки, (ДхШхВ), мм |
1075 х 784 х 270 |
1075 х 924 х 270 |
1075 х 924 х 270 |
1130 х 1106 х 312 |
1130 х 1106 х 312 |
1488 х 995 х 396 |
1488 х 1246 х 396 |
1488 х 1246 х 396 |
|
Размер с упаковкой, (ДхШхВ), мм |
1125 х 830 х 345 |
1125 х 985 х 345 |
1125 х 985 х 345 |
1190 х 1150 х 386 |
1190 х 1150 х 386 |
1545 х 1045 х 470 |
1545 х 1300 х 470 |
1545 х 1300 х 470 |
|
|
Вес нетто/брутто, кг |
30/32 |
34/36 |
39/41 |
45/47 |
45/47 |
64/66 |
75/77 |
78/80 |
|
|
Сечение кабелей |
Электропитание, мм2 |
3х2,5 |
2х2,5 |
2х4,0 |
2х4,0 |
4х2,5+1 |
5х2,5+1 |
5х4,0+1 |
5х4,0+1 |
|
Сигнальный экранированный, мм2 |
3х0,75 |
3х0,75 |
3х0,75 |
3х0,75 |
3х0,75 |
3х0,75 |
3х0,75 |
3х0,75 |
|
|
Диаметр подключения воздуховодов, мм |
150 |
150 |
150 |
200 |
200 |
250 |
250 |
250 |
|
Примечание: Все вышеизложенные данные измерялись при рабочем внешнем давлении, а уровень шума - на расстоянии 1,5 м от RWC(N) при внешнем давлении 0 Па. Производитель оставляет за собой право изменять спецификацию оборудования без предварительного уведомления.
Аэродинамические характеристики RWC(N)



Электрические схемы подключения
для RWC-250-HЕ (N) - RWC-500-HE (N)

для RWC-600-HE-AH (N) - RWC-1200-HE-AH (N)

Пояснения к схеме подключения:
- Провода, обозначенные на схеме пунктирными линиями, должны быть проложены специалистами по электромонтажу.
- После завершения электромонтажных работ тщательно проверьте, не допущены ли ошибки.
- Рекомендуется использовать защитный автомат питания с расстоянием более 3 мм между размыкающими контактами и номинальным током больше 10 А.
- Рекомендуется использовать электропровод в ПВХ-изоляции с толщиной 1,38 мм и 1,78 мм для проводов диаметром 1,5 мм2 и 2,5 мм2 соответственно.
Подключение электрокалориферов:
- В установкаx RWC-250-HЕ (N) - RWC-500-HE (N) для эффективной работы в зимний период могут использоваться внешние электрокалориферы, которые обеспечивают нагрев воздуха, который подается с улицы, до температуры -20 °С. Дальнейший обогрев потока воздуха в приточном канале обеспечивается за счет использования рекуператора и дополнительного нагревателя, встроенного в RWC(N), либо выполненного в виде отдельного блока для RWC-600-HE-AH (N) - RWC-1200-HE-AH (N).
- Внешние электрокалориферы RWC-600-HE-AH (N) - RWC-1200-HE-AH (N) являются устройствами с независимым электропитанием (380 В, 3 фазы), но при этом управление включением этих устройств организовано через схему управления ПВУ. При подключении электрокалориферов строго соблюдайте схемы подключения, приведенные на этой странице. Также необходимо использовать медные электропровода соответствующего сечения.
Рекомендации подключения электротэнов для моделей RWC-600-HE-AH (N) - RWC-1200-HE-AH (N)
|
Модель |
Мощность электротэна, кВт |
Сечение кабеля питания, мм2 |
Расчетная сила тока, А |
|
RWC-600-HE-AH (N) |
5 |
2,5 |
6 |
|
RWC-800-HE-AH (N) |
6 |
2,5 |
9,2 |
|
RWC-1000-HE-AH (N) |
7 |
4 |
10,6 |
|
RWC-1200-HE-AH (N) |
7,5 |
4 |
11,4 |
Размеры внешнего электронагревателя (для моделей RWC-600-НЕ-AH (N) - RWC-1200-НЕ-AH (N))
|
Модель RWC-HE-AH (N) установки Габариты и масса дополнительных электрических нагревателей |
RWC-600-НЕ-НА (N) |
RWC-800-НЕ-НА (N) |
RWC-1000-НЕ-НА (N) |
RWC-1200-НЕ-НА (N) |
|
Размеры (Ш×Г×В), мм |
780×430×335 |
780×430×335 |
875×440×335 |
875×440×335 |
|
Масса, кг |
11,5 |
11,5 |
12,5 |
12,5 |
МАРКИРОВКА:
Компактная приточно-вытяжная установка с рекуперацией тепла RWC-250-HE (N)
где: RWC – название приточно-вытяжной установки;
250 – типоразмер (производительность по воздухопотоку);
HE – нагреватель электрический;
N – проводной пульт управления с сенсорными кнопками.
Компактная приточно-вытяжная установка с рекуперацией тепла RWC-600-HE-АН (N)
где: RWC – название приточно-вытяжной установки;
600 – типоразмер (производительность по воздухопотоку);
HE – нагреватель электрический;
АН – внешний электронагреватель;
N – проводной пульт управления с сенсорными кнопками.
Не представленные в наличии модели доступны к поставке под заказ
Оповестить о поступлении
Всю необходимую информацию также можно получить по телефону «горячей линии»
+ 7 800 200 93 96или по телефону
+7 800 505 08 67 получить консультацию