Вентилятор радиальный ВРН общепромышленного исполнения
Описание
- Модернизированные радиальные вентиляторы низкого давления с увеличенным выходным фланцем прямоугольной формы и повышенным КПД
- Предназначены для общеобменной вентиляции
Конструктив
- Корпус в виде улитки до 8,0 из оцинкованной стали, от 9,0 из углеродистой стали с покрытием
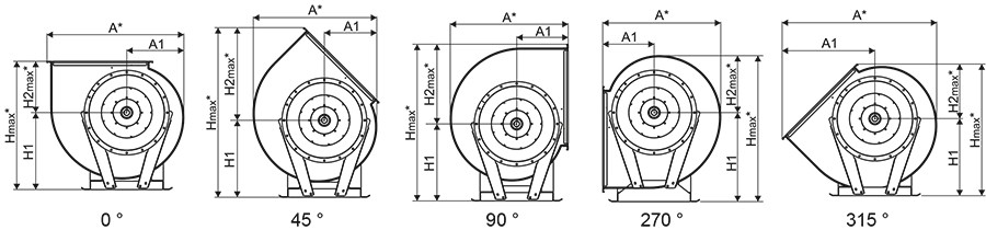
- Углы поворота корпуса: 0°, 45°, 90°, 270°, 315°
- Левое (Л) или правое (Пр) направление вращения рабочего колеса/положение корпуса
- Типы рабочих колес с загнутыми назад лопатками: РК920, РК925, РК930
- Рабочее колесо из углеродистой стали с покрытием
Двигатель
- Трехфазный асинхронный электродвигатель
- Степень защиты электродвигателя не ниже IP 54
Условия эксплуатации
- Климатическое исполнение по ГОСТ 15150-69: У2 (для эксплуатации под навесом). Допускается эксплуатация в У1 (на открытом воздухе) при комплектации кожухом электродвигателя или двигателем У1
- Температура окружающей среды от -45°С до +40°С
- Общепромышленное (О) исполнение
- Температура перемещаемой среды от -45°С до +80°С
- Перемещаемая среда не должна содержать:
- пары и газы с агрессивностью к металлам, покрытиям и изоляции выше агрессивности воздуха
Дополнительная комплектация

1 - Вставка гибкая круглая ВГК-ВРН/ВРВ
2 - Вставка гибкая прямоугольная ВГП-ВРН/ВРВ
3 - Козырёк защитный Козырек-ВРН/ВРВ
4 - Решетка защитная БАСКЕТ-ВРН/ВРВ
5 - Клапан вертикального выброса КВВ-ВРН/ВРВ
6 - Кожух ЭД-ВРН/ВРВ
7 – Виброизоляторы
* Дополнительные комплектующие в комплект поставки не входят.
Полная информация о вентиляторах ВРН в электронном pdf-каталоге по ссылке во вкладке "Характеристики".
Габаритные и присоединительные размеры, мм

|
Наименование |
А2 |
В max* |
В1 |
D |
D1 |
d |
d1 |
a |
а1 |
а2 |
h |
h1 |
h2 |
h3 |
n |
n1 |
n2 |
k |
k1 |
|
ВРН-2,5 |
85,5 |
500 |
180 |
250 |
289 |
9,5 |
11 |
325 |
346 |
- |
177 |
198 |
- |
- |
4 |
- |
8 |
- |
- |
|
ВРН-2,8 |
102 |
537 |
191 |
280 |
309 |
9,5 |
11 |
362 |
383 |
- |
201 |
222 |
- |
- |
4 |
- |
8 |
- |
- |
|
ВРН-3,15 |
115 |
600 |
200 |
315 |
349 |
9,5 |
11 |
397 |
420 |
- |
218 |
240 |
- |
- |
4 |
- |
8 |
- |
- |
|
ВРН-3,55 |
128 |
690 |
219 |
355 |
384 |
9,5 |
11 |
455 |
475 |
- |
252 |
272 |
- |
- |
4 |
- |
8 |
- |
- |
|
ВРН-4,0 |
145 |
741 |
236 |
400 |
434 |
9,5 |
11 |
513 |
533 |
- |
284 |
304 |
- |
- |
4 |
- |
8 |
- |
- |
|
ВРН-4,5 |
163 |
919 |
254 |
450 |
479 |
9,5 |
11 |
575 |
595 |
- |
321 |
341 |
- |
- |
4 |
- |
8 |
- |
- |
|
ВРН-5,0 |
178 |
792 |
271 |
500 |
534 |
11 |
11 |
644 |
673 |
- |
356 |
385 |
- |
- |
4 |
- |
16 |
- |
- |
|
ВРН-5,6 |
200 |
869 |
291 |
560 |
589 |
11 |
11 |
720 |
749 |
- |
397 |
426 |
- |
- |
4 |
- |
16 |
- |
- |
|
ВРН-6,3 |
230,5 |
987 |
349 |
630 |
665 |
11 |
11 |
802 |
831 |
- |
444 |
473 |
- |
- |
4 |
- |
16 |
- |
- |
|
ВРН-7,1 |
259 |
1195 |
406 |
710 |
739 |
12,5 |
11 |
901 |
930 |
- |
500 |
529 |
- |
- |
4 |
- |
16 |
- |
- |
|
ВРН-8,0 |
297 |
1392 |
437 |
800 |
829 |
12,5 |
11 |
1010 |
1039 |
- |
566 |
595 |
- |
- |
4 |
- |
16 |
- |
- |
|
ВРН-9,0 |
335 |
1500 |
475 |
900 |
938 |
- |
11 |
1132 |
1184 |
148 |
636 |
691 |
138,2 |
138,2 |
- |
26 |
16 |
8 |
3 |
|
ВРН-10,0 |
366 |
1520 |
513 |
1000 |
1030 |
- |
11 |
1270 |
1322 |
165,3 |
706 |
761 |
152,2 |
152,2 |
- |
26 |
16 |
8 |
3 |
|
ВРН-11,2 |
408,5 |
1629 |
551 |
1120 |
1164 |
- |
11 |
1425 |
1477 |
147,7 |
787 |
842 |
167 |
170,5 |
- |
30 |
16 |
10 |
3 |
|
ВРН-12,5 |
461,5 |
1875 |
600 |
1250 |
1280 |
- |
11 |
1594 |
1646 |
164,6 |
880 |
935 |
155,8 |
155,9 |
- |
32 |
16 |
10 |
4 |
* Максимальный размер по самому большому двигателю в соответствующем типоразмере вентилятора.
Габаритные и присоединительные размеры вентиляторов в зависимости от положения корпуса ВРН

|
Наименование |
А* |
А1 |
H max* |
H1 |
H2 max* |
||||||||||||||||||||
|
0° |
45° |
90° |
270° |
315° |
0° |
45° |
90° |
270° |
315° |
0° |
45° |
90° |
270° |
315° |
0° |
45° |
90° |
270° |
315° |
0° |
45° |
90° |
270° |
315° |
|
|
ВРН-2,5 |
456 |
432 |
402 |
402 |
522 |
188 |
198 |
183 |
183 |
318 |
423 |
558 |
508 |
528 |
538 |
240 |
240 |
240 |
340 |
340 |
183 |
318 |
268 |
188 |
198 |
|
ВРН-2,8 |
517 |
483 |
456 |
456 |
592 |
215 |
215 |
206 |
206 |
359 |
516 |
669 |
612 |
565 |
565 |
310 |
310 |
310 |
350 |
350 |
206 |
359 |
302 |
215 |
215 |
|
ВРН-3,15 |
572 |
531 |
504 |
504 |
655 |
237 |
233 |
226 |
226 |
396 |
536 |
706 |
645 |
650 |
642 |
310 |
310 |
310 |
410 |
410 |
226 |
396 |
335 |
240 |
232 |
|
ВРН-3,55 |
646 |
598 |
565 |
565 |
735 |
270 |
261 |
251 |
251 |
443 |
601 |
793 |
726 |
720 |
711 |
350 |
350 |
350 |
450 |
450 |
251 |
443 |
376 |
270 |
261 |
|
ВРН-4,0 |
723 |
675 |
642 |
642 |
830 |
303 |
297 |
290 |
290 |
501 |
680 |
891 |
810 |
773 |
767 |
390 |
390 |
390 |
470 |
470 |
290 |
501 |
420 |
303 |
297 |
|
ВРН-4,5 |
810 |
756 |
721 |
721 |
930 |
340 |
331 |
325 |
325 |
562 |
760 |
997 |
905 |
875 |
866 |
435 |
435 |
435 |
535 |
535 |
325 |
562 |
470 |
340 |
331 |
|
ВРН-5,0 |
906 |
840 |
790 |
790 |
1029 |
377 |
369 |
350 |
350 |
621 |
860 |
1130 |
1038 |
957 |
949 |
510 |
510 |
510 |
580 |
580 |
350 |
620 |
528 |
377 |
369 |
|
ВРН-5,6 |
1010 |
932 |
880 |
880 |
1146 |
422 |
406 |
388 |
388 |
689 |
957 |
1260 |
1160 |
1090 |
1071 |
570 |
570 |
570 |
665 |
665 |
387 |
690 |
590 |
425 |
406 |
|
ВРН-6,3 |
1136 |
1038 |
984 |
984 |
1285 |
476 |
443 |
429 |
429 |
769 |
1054 |
1394 |
1285 |
1222 |
1189 |
625 |
625 |
625 |
746 |
746 |
429 |
769 |
660 |
476 |
443 |
|
ВРН-7,1 |
1273 |
1157 |
1102 |
1102 |
1438 |
534 |
490 |
479 |
479 |
860 |
1204 |
1585 |
1463 |
1379 |
1339 |
725 |
725 |
725 |
845 |
845 |
479 |
860 |
738 |
534 |
494 |
|
ВРН-8,0 |
1435 |
1308 |
1239 |
1239 |
1619 |
604 |
554 |
535 |
535 |
965 |
1331 |
1760 |
1625 |
1499 |
1449 |
795 |
795 |
795 |
895 |
895 |
536 |
965 |
830 |
604 |
554 |
|
ВРН-9,0 |
1631 |
1513 |
1429 |
1429 |
1857 |
688 |
632 |
600 |
600 |
1091 |
1482 |
1981 |
1832 |
1698 |
1642 |
890 |
890 |
890 |
1010 |
1010 |
592 |
1091 |
942 |
688 |
632 |
|
ВРН-10,0 |
1826 |
1732 |
1591 |
1591 |
2067 |
764 |
744 |
670 |
670 |
1211 |
1640 |
2181 |
2032 |
1864 |
1844 |
970 |
970 |
970 |
1100 |
1100 |
670 |
1211 |
1062 |
764 |
744 |
|
ВРН-11,2 |
2041 |
1946 |
1779 |
1779 |
2313 |
855 |
830 |
735 |
735 |
1342 |
1805 |
2412 |
2257 |
2074 |
2050 |
1070 |
1070 |
1070 |
1220 |
1220 |
735 |
1342 |
1187 |
854 |
830 |
|
ВРН-12,5 |
2283 |
2123 |
1959 |
1959 |
2571 |
959 |
903 |
813 |
813 |
1494 |
1993 |
2674 |
2504 |
2339 |
2283 |
1180 |
1180 |
1180 |
1380 |
1380 |
813 |
1494 |
1324 |
959 |
903 |
* Максимальный размер при различных положениях корпуса.
Габаритные и присоединительные размеры основания рамы вентиляторов ВРН

|
Наименование |
С |
С1 |
С2 |
bxl |
K |
K1 |
n3 |
|
ВРН-2,5 |
295 |
330 |
71 |
8х18 |
70 |
- |
8 |
|
ВРН-2,8 |
295 |
365 |
80 |
8х18 |
75 |
- |
8 |
|
ВРН-3,15 |
332,5 |
395 |
60 |
8х18 |
75 |
- |
8 |
|
ВРН-3,55 |
360 |
480 |
104 |
8х18 |
90 |
- |
8 |
|
ВРН-4,0 |
396 |
525 |
128 |
8х27 |
90 |
- |
8 |
|
ВРН-4,5 |
424 |
660 |
140 |
11х30 |
100 |
- |
8 |
|
ВРН-5,0 |
525 |
695 |
160 |
11х22 |
100 |
- |
8 |
|
ВРН-5,6 |
550 |
740 |
180 |
11х22 |
100 |
- |
8 |
|
ВРН-6,3 |
550 |
830 |
210,3 |
11х22 |
110 |
- |
8 |
|
ВРН-7,1 |
710 |
750 |
209 |
11х22 |
125 |
- |
8 |
|
ВРН-8,0 |
800 |
845 |
221 |
11х22 |
125 |
- |
8 |
|
ВРН-9,0 |
870 |
950 |
256 |
11х22 |
130 |
153 |
11 |
|
ВРН-10,0 |
958 |
960 |
227 |
11х22 |
130 |
213 |
11 |
|
ВРН-11,2 |
1048 |
920 |
246 |
11х22 |
180 |
354 |
15 |
|
ВРН-12,5 |
1230 |
1030 |
235 |
11х22 |
180 |
266 |
15 |
Технические характеристики
|
Наименование |
N, кВт |
n, об/мин |
Ток при 380В, А |
Габарит электро-двигателя |
Масса max, кг |
Общий дБа |
Виброопора тип ЕС (А) |
|
|
кол-во |
тип |
|||||||
|
ВРН-2,5-О-РК920-0,12/1500/220-380 |
0,12 |
1310 |
0,49 |
56 |
20,1 |
61 |
4 |
20*25(А) М6 |
|
ВРН-2,5-О-РК925-0,12/1500/220-380 |
0,12 |
1310 |
0,49 |
56 |
20,2 |
61 |
4 |
20*25(А) М6 |
|
ВРН-2,5-О-РК930-0,12/1500/220-380 |
0,12 |
1310 |
0,49 |
56 |
20,2 |
61 |
4 |
20*25(А) М6 |
|
ВРН-2,5-О-РК920-0,25/3000/220-380 |
0,25 |
2720 |
0,73 |
56 |
20,1 |
73 |
4 |
20*25(А) М6 |
|
ВРН-2,5-О-РК925-0,37/3000/220-380 |
0,37 |
2755 |
1,01 |
63 |
21,1 |
72 |
4 |
20*25(А) М6 |
|
ВРН-2,5-О-РК930-0,55/3000/220-380 |
0,55 |
2790 |
1,38 |
63 |
22,5 |
68 |
4 |
20*25(А) М6 |
|
ВРН-2,8-О-РК920-0,12/1500/220-380 |
0,12 |
1310 |
0,49 |
56 |
21,3 |
65 |
4 |
20*25(А) М6 |
|
ВРН-2,8-О-РК925-0,12/1500/220-380 |
0,12 |
1310 |
0,49 |
56 |
21,4 |
65 |
4 |
20*25(А) М6 |
|
ВРН-2,8-О-РК930-0,12/1500/220-380 |
0,12 |
1310 |
0,49 |
56 |
21,4 |
65 |
4 |
20*25(А) М6 |
|
ВРН-2,8-О-РК920-0,55/3000/220-380 |
0,55 |
2790 |
1,38 |
63 |
23,6 |
77 |
4 |
20*25(А) М6 |
|
ВРН-2,8-О-РК925-0,55/3000/220-380 |
0,55 |
2790 |
1,38 |
63 |
23,7 |
76 |
4 |
20*25(А) М6 |
|
ВРН-2,8-О-РК930-0,75/3000/220-380 |
0,75 |
2840 |
1,83 |
71 |
25,4 |
73 |
4 |
20*25(А) М6 |
|
ВРН-3,15-О-РК920-0,12/1500/220-380 |
0,12 |
1310 |
0,49 |
56 |
26 |
69 |
4 |
20*25(А) М6 |
|
ВРН-3,15-О-РК925-0,18/1500/220-380 |
0,18 |
1310 |
0,67 |
56 |
26 |
69 |
4 |
20*25(А) М6 |
|
ВРН-3,15-О-РК930-0,18/1500/220-380 |
0,18 |
1310 |
0,67 |
56 |
26 |
69 |
4 |
20*25(А) М6 |
|
ВРН-3,15-О-РК920-1,1/3000/220-380 |
1,1 |
2840 |
2,63 |
71 |
30,9 |
82 |
4 |
20*25(А) М6 |
|
ВРН-3,15-О-РК925-1,1/3000/220-380 |
1,1 |
2840 |
2,63 |
71 |
30,9 |
81 |
4 |
20*25(А) М6 |
|
ВРН-3,15-О-РК930-1,5/3000/220-380 |
1,5 |
2850 |
3,46 |
80 |
39,6 |
77 |
4 |
20*25(А) М6 |
|
ВРН-3,55-О-РК920-0,18/1500/220-380 |
0,18 |
1310 |
0,67 |
56 |
30,4 |
73 |
4 |
20*25(А) М6 |
|
ВРН-3,55-О-РК925-0,25/1500/220-380 |
0,25 |
1340 |
0,87 |
63 |
31,4 |
74 |
4 |
20*25(А) М6 |
|
ВРН-3,55-О-РК930-0,37/1500/220-380 |
0,37 |
1340 |
1,18 |
63 |
33,4 |
74 |
4 |
20*25(А) М6 |
|
ВРН-3,55-О-РК920-2,2/3000/220-380 |
2,2 |
2855 |
4,85 |
80 |
45,5 |
86 |
4 |
20*25(А) М6 |
|
ВРН-3,55-О-РК925-2,2/3000/220-380 |
2,2 |
2855 |
4,85 |
80 |
45,6 |
86 |
4 |
20*25(А) М6 |
|
ВРН-3,55-О-РК930-3,0/3000/220-380 |
3,0 |
2860 |
6,35 |
90 |
59,8 |
82 |
4 |
20*20(А) М6 |
|
ВРН-4,0-О-РК920-0,37/1500/220-380 |
0,37 |
1340 |
1,18 |
63 |
44,2 |
77 |
4 |
20*25(А) М6 |
|
ВРН-4,0-О-РК925-0,37/1500/220-380 |
0,37 |
1340 |
1,18 |
63 |
44,3 |
78 |
4 |
20*25(А) М6 |
|
ВРН-4,0-О-РК930-0,55/1500/220-380 |
0,55 |
1390 |
1,66 |
71 |
50,1 |
78 |
4 |
20*25(А) М6 |
|
ВРН-4,0-О-РК920-3,0/3000/220-380 |
3,0 |
2860 |
6,35 |
90 |
66,4 |
91 |
4 |
25*30(А) М6 |
|
ВРН-4,0-О-РК925-5,5/3000/220-380 |
5,5 |
2900 |
11,1 |
100 |
78,5 |
90 |
4 |
25*30(А) М6 |
|
ВРН-4,0-О-РК930-5,5/3000/220-380 |
5,5 |
2900 |
11,1 |
100 |
78,5 |
86 |
4 |
25*30(А) М6 |
|
ВРН-4,5-О-РК920-0,75/1500/220-380 |
0,75 |
1390 |
2,11 |
71 |
76,7 |
82 |
4 |
25*30(А) М6 |
|
ВРН-4,5-О-РК925-0,75/1500/220-380 |
0,75 |
1390 |
2,11 |
71 |
76,7 |
83 |
4 |
25*30(А) М6 |
|
ВРН-4,5-О-РК930-1,1/1500/220-380 |
1,1 |
1390 |
2,85 |
80 |
85,3 |
83 |
4 |
25*20(А) М6 |
|
ВРН-4,5-О-РК920-7,5/3000/220-380 |
7,5 |
2895 |
14,9 |
112 |
119 |
95 |
4 |
30*25(А) М8 |
|
ВРН-4,5-О-РК925-7,5/3000/220-380 |
7,5 |
2895 |
14,9 |
112 |
119 |
94 |
4 |
30*25(А) М8 |
|
ВРН-4,5-О-РК930-11,0/3000/380-660 |
11,0 |
2900 |
21,86 |
132 |
149,4 |
90 |
4 |
30*20(А)М8 |
|
ВРН-5,0-О-РК920-0,37/1000/220-380 |
0,37 |
880 |
1,39 |
71 |
78,3 |
78 |
4 |
25*30(А) М6 |
|
ВРН-5,0-О-РК925-0,55/1000/220-380 |
0,55 |
880 |
1,79 |
71 |
79 |
79 |
4 |
25*30(А) М6 |
|
ВРН-5,0-О-РК930-0,55/1000/220-380 |
0,55 |
880 |
1,79 |
71 |
81,4 |
80 |
4 |
25*30(А) М6 |
|
ВРН-5,0-О-РК920-1,5/1500/220-380 |
1,5 |
1400 |
3,72 |
80 |
88,8 |
86 |
4 |
25*20(А) М6 |
|
ВРН-5,0-О-РК925-1,5/1500/220-380 |
1,5 |
1400 |
3,72 |
80 |
88,8 |
87 |
4 |
25*20(А) М6 |
|
ВРН-5,0-О-РК930-2,2/1500/220-380 |
2,2 |
1410 |
5,3 |
90 |
97,3 |
87 |
4 |
25*20(А) М6 |
|
ВРН-5,6-О-РК920-0,55/1000/220-380 |
0,55 |
880 |
1,79 |
71 |
93,4 |
82 |
4 |
25*20(А) М6 |
|
ВРН-5,6-О-РК925-0,75/1000/220-380 |
0,75 |
905 |
2,3 |
80 |
101,3 |
83 |
4 |
30*30(А) М8 |
|
ВРН-5,6-О-РК930-1,1/1000/220-380 |
1,1 |
905 |
3,2 |
80 |
105,5 |
84 |
4 |
30*30(А) М8 |
|
ВРН-5,6-О-РК920-2,2/1500/220-380 |
2,2 |
1410 |
5,3 |
90 |
110,7 |
90 |
4 |
30*30(А) М8 |
|
ВРН-5,6-О-РК925-2,2/1500/220-380 |
2,2 |
1410 |
5,3 |
90 |
110,7 |
91 |
4 |
30*30(А) М8 |
|
ВРН-5,6-О-РК930-3,0/1500/220-380 |
3,0 |
1410 |
6,8 |
100 |
120,3 |
91 |
4 |
30*25(А) М8 |
|
ВРН-6,3-О-РК920-1,1/1000/220-380 |
1,1 |
905 |
3,2 |
80 |
136,4 |
86 |
4 |
30*20 (A) М8 |
|
ВРН-6,3-О-РК925-1,5/1000/220-380 |
1,5 |
920 |
4,29 |
90 |
145,7 |
87 |
4 |
25*10 (A) М6 |
|
ВРН-6,3-О-РК930-1,5/1000/220-380 |
1,5 |
920 |
4,29 |
90 |
150 |
88 |
4 |
25*10 (A) М6 |
|
ВРН-6,3-О-РК920-4,0/1500/220-380 |
4,0 |
1435 |
8,8 |
100 |
155,6 |
95 |
4 |
25*10 (A) М6 |
|
ВРН-6,3-О-РК925-5,5/1500/220-380 |
5,5 |
1440 |
11,7 |
112 |
166,2 |
96 |
4 |
30*15 (A) М8 |
|
ВРН-6,3-О-РК930-7,5/1500/380-660 |
7,5 |
1450 |
15,71 |
132 |
175,1 |
96 |
4 |
40*40 (A) М8 |
|
ВРН-7,1-О-РК920-1,1/750/220-380 |
1,1 |
680 |
3,36 |
90 |
189,1 |
84 |
4 |
40*40(A) М8 |
|
ВРН-7,1-О-РК925-1,5/750/220-380 |
1,5 |
690 |
4,4 |
100 |
200,6 |
85 |
4 |
40*40(A) М8 |
|
ВРН-7,1-О-РК930-1,5/750/220-380 |
1,5 |
690 |
4,4 |
100 |
200,6 |
86 |
4 |
40*40(A) М8 |
|
ВРН-7,1-О-РК920-2,2/1000/220-380 |
2,2 |
935 |
5,6 |
100 |
198,8 |
90 |
4 |
40*40(A) М8 |
|
ВРН-7,1-О-РК925-2,2/1000/220-380 |
2,2 |
935 |
5,6 |
100 |
198,8 |
91 |
4 |
40*40(A) М8 |
|
ВРН-7,1-О-РК930-3,0/1000/220-380 |
3,0 |
960 |
7,64 |
112 |
217 |
93 |
4 |
40*30(A) М10 |
|
ВРН-7,1-О-РК920-7,5/1500/380-660 |
7,5 |
1450 |
15,71 |
132 |
240,3 |
99 |
4 |
40*30(A) М10 |
|
ВРН-7,1-О-РК925-11,0/1500/380-660 |
11,0 |
1460 |
22,78 |
132 |
252,3 |
100 |
4 |
40*30(A) М10 |
|
ВРН-7,1-О-РК930-15,0/1500/380-660 |
15,0 |
1460 |
30 |
160 |
302,3 |
100 |
4 |
50*50(A) М10 |
|
ВРН-8,0-О-РК920-1,5/750/220-380 |
1,5 |
690 |
4,4 |
100 |
306,1 |
88 |
4 |
40*40(A) М8 |
|
ВРН-8,0-О-РК925-2,2/750/220-380 |
2,2 |
710 |
6,16 |
112 |
309,9 |
89 |
4 |
40*30(A) М10 |
|
ВРН-8,0-О-РК930-2,2/750/220-380 |
2,2 |
710 |
6,16 |
112 |
319,2 |
90 |
4 |
40*30(A) М10 |
|
ВРН-8,0-О-РК920-4,0/1000/220-380 |
4,0 |
960 |
9,75 |
112 |
320,2 |
95 |
4 |
40*30(A) М10 |
|
ВРН-8,0-О-РК925-5,5/1000/380-660 |
5,5 |
960 |
12,9 |
132 |
340,5 |
96 |
4 |
40*30(A) М10 |
|
ВРН-8,0-О-РК930-5,5/1000/380-660 |
5,5 |
960 |
12,9 |
132 |
350,7 |
97 |
4 |
40*30(A) М10 |
|
ВРН-8,0-О-РК920-15,0/1500/380-660 |
15,0 |
1460 |
30 |
160 |
447,5 |
104 |
4 |
50*50(A) М10 |
|
ВРН-8,0-О-РК925-18,5/1500/380-660 |
18,5 |
1470 |
36,3 |
160 |
417,5 |
104 |
4 |
50*45(A) М10 |
|
ВРН-8,0-О-РК930-22,0/1500/380-660 |
22,0 |
1470 |
43,2 |
180 |
479,7 |
104 |
4 |
50*45(A) М10 |
|
ВРН-9,0-О-РК920-3,0/750/220-380 |
3,0 |
710 |
8,15 |
112 |
323,7 |
92 |
4 |
50*45(A) М10 |
|
ВРН-9,0-О-РК925-3,0/750/220-380 |
3,0 |
710 |
8,15 |
112 |
323,7 |
93 |
4 |
50*45(A) М10 |
|
ВРН-9,0-О-РК930-4,0/750/380-660 |
4,0 |
720 |
10,47 |
132 |
359,7 |
95 |
4 |
50*45(A) М10 |
|
ВРН-9,0-О-РК920-7,5/1000/380-660 |
7,5 |
970 |
17,2 |
132 |
368,2 |
99 |
4 |
50*40(A) М10 |
|
ВРН-9,0-О-РК925-11,0/1000/380-660 |
11,0 |
970 |
24,5 |
160 |
407,2 |
101 |
4 |
50*30(A) М10 |
|
ВРН-9,0-О-РК930-11,0/1000/380-660 |
11,0 |
970 |
24,5 |
160 |
415,3 |
102 |
4 |
50*30(A) М10 |
|
ВРН-9,0-О-РК920-30,0/1500/380-660 |
30,0 |
1470 |
57,6 |
180 |
479,2 |
108 |
6 |
60*45(A) М12 |
|
ВРН-9,0-О-РК925-30,0/1500/380-660 |
30,0 |
1470 |
57,6 |
180 |
479,2 |
108 |
6 |
60*45(A) М12 |
|
ВРН-9,0-О-РК930-37,0/1500/380-660 |
37,0 |
1475 |
70,2 |
200 |
568,4 |
108 |
6 |
60*40(A) М12 |
|
ВРН-10,0-О-РК920-5,5/750/380-660 |
5,5 |
720 |
13,83 |
132 |
507 |
96 |
6 |
60*40(A) М12 |
|
ВРН-10,0-О-РК925-7,5/750/380-660 |
7,5 |
720 |
18,17 |
160 |
553 |
98 |
6 |
60*40(A) М12 |
|
ВРН-10,0-О-РК930-7,5/750/380-660 |
7,5 |
720 |
18,17 |
160 |
604,8 |
99 |
6 |
60*40(A) М12 |
|
ВРН-10,0-О-РК920-15,0/1000/380-660 |
15,0 |
970 |
31,6 |
160 |
580 |
103 |
6 |
60*60(A) М12 |
|
ВРН-10,0-О-РК925-18,5/1000/380-660 |
18,5 |
980 |
38,6 |
180 |
608 |
104 |
6 |
60*50(A) М12 |
|
ВРН-10,0-О-РК930-18,5/1000/380-660 |
18,5 |
980 |
38,6 |
180 |
660,7 |
105 |
6 |
60*50(A) М12 |
|
ВРН-11,2-О-РК920-11,0/750/380-660 |
11,0 |
730 |
26 |
160 |
682 |
101 |
6 |
60*50(A) М12 |
|
ВРН-11,2-О-РК925-11,0/750/380-660 |
11,0 |
730 |
26 |
160 |
682 |
102 |
6 |
60*50(A) М12 |
|
ВРН-11,2-О-РК930-15,0/750/380-660 |
15,0 |
730 |
35 |
180 |
766,5 |
103 |
6 |
60*50(A) М12 |
|
ВРН-11,2-О-РК920-22,0/1000/380-660 |
22,0 |
980 |
44,7 |
200 |
781 |
107 |
6 |
60*50(A) М12 |
|
ВРН-11,2-О-РК925-30,0/1000/380-660 |
30,0 |
980 |
60 |
200 |
783 |
108 |
6 |
60*50(A) М12 |
|
ВРН-11,2-О-РК930-37,0/1000/380-660 |
37,0 |
980 |
71 |
225 |
901,8 |
110 |
6 |
70*60(A) М10 |
|
ВРН-12,5-О-РК920-15,0/750/380-660 |
15,0 |
730 |
35 |
180 |
888,2 |
104 |
10 |
70*60(A) М10 |
|
ВРН-12,5-О-РК925-22,0/750/380-660 |
22,0 |
730 |
48,9 |
200 |
946,3 |
106 |
10 |
70*60(A) М10 |
|
ВРН-12,5-О-РК930-22,0/750/380-660 |
22,0 |
730 |
48,9 |
200 |
965,2 |
107 |
10 |
70*60(A) М10 |
|
ВРН-12,5-О-РК920-37,0/1000/380-660 |
37,0 |
980 |
71 |
225 |
1090,1 |
112 |
10 |
75*50(A) М12 |
|
ВРН-12,5-О-РК925-55,0/1000/380-660 |
55,0 |
980 |
104 |
250 |
1212,8 |
113 |
10 |
75*50(A) М12 |
|
ВРН-12,5-О-РК930-75,0/1000/380-660 |
75,0 |
985 |
142 |
280 |
1392 |
114 |
10 |
75*40(A) М12 |
Электрические схемы подключения вентиляторов в сеть 380 В

* В вентиляторах с номинальным напряжением ∆/Y 380В/660В предусмотрена возможность запуска пониженным напряжением по схеме Y-∆. Для получения более подробной информации по подключению, обратитесь в отдел технической поддержки.
Не представленные в наличии модели доступны к поставке под заказ
Оповестить о поступлении
Всю необходимую информацию также можно получить по телефону «горячей линии»
+ 7 800 200 93 96или по телефону
+7 800 505 08 67 получить консультацию
